Kia Sorento: Removal - Automatic Transaxle - Automatic Transaxle System - Kia Sorento XM 2011-2026 Service ManualKia Sorento: Removal

Second Generation XM (2011-2026) / Kia Sorento XM 2011-2026 Service Manual / Automatic Transaxle System / Automatic Transaxle / Removal

1.
Remove the engine cover.
(Refer to Engine Mechanical System - "Engine cover")
2.
Remove the air cleaner assembly and air duct.
(Refer to Engine Mechanical System - "Air cleaner")
3.
Remove the battery and battery tray.
(Refer to Engine Electrical System - "Battery")
4.
Disconnect the inhibitor switch connect (A) and solenoid valve connector (B).

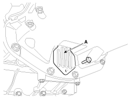
5.
Remove the CKP sensor (A).

Tightening torque :
(A) 6.9 ~ 9.8 N.m (0.7 ~ 1.0 kgf.m, 5.1 ~ 7.2 lb-ft)

6.
Remove the shift cable (B) after removing the nut (C) and the bolt (A).

Tightening torque :
(A) 14.7 ~ 21.6 N.m (1.5 ~ 2.2 kgf.m, 10.9 ~ 15.9 lb-ft)
(C) 7.8 ~ 11.8 N.m (0.8 ~ 1.2 kgf.m, 5.8 ~ 8.7 lb-ft)

7.
Remove the ground line after removing the bolt (A).

Tightening torque :
(A) 10.8 ~ 13.7 N.m (1.1 ~ 1.4 kgf.m, 8.1 ~ 10.1 lb-ft)

8.
Remove the wiring bracket installation bolt (A).

9.
Disconnect the coolant hose (B) after removing the automatic transaxle coolant hose clamp (A).
10.
Remove the wiring mounting clip (C).

11.
Remove the coolant pipe mounting bolts (A).
12.
Remove the coolant pipe (B).

Tightening torque :
(A) 8.8 ~ 13.7 N.m (0.9 ~ 1.4 kgf.m, 6.5 ~ 10.1 lb-ft)

13.
Remove the wiring bracket installation bolt (A).

14.
Assembled the engine support fixture.
(Refer to Special Service Tools - " Engine support fixture special tool assembly drawing")
15.
Remove the hood lift.
(Refer to Body-"Hood")
16.
Using the engine support fixture (A), hold the engine and transaxle assembly safely.

17.
Remove the automatic transaxle upper mounting bolts (A) and the starter motor mounting bolt (B).

Tightening torque :
(A) 42.2 ~ 54.0 N.m (4.3 ~ 5.5 kgf.m, 31.1 ~ 39.8 lb-ft)
(B) 49.0 ~ 63.7 N.m (5.0 ~ 6.5 kgf.m, 36.2 ~ 47.0 lb-ft)

18.
Remove the mounting bracket cover (A).

19.
Remove the automatic transaxle mounting bracket bolt (A).

Tightening torque :
88.3~107.9 N.m (9.0~11.0 kgf.m, 65.1~79.6 lb-ft)

20.
Remove the automatic transaxle mounting support bracket bolts (A).
21.
Remove the automatic transaxle mounting support bracket (B).

Tightening torque :
58.8 ~ 78.5 N.m (6.0 ~ 8.0 kgf.m, 43.4 ~ 57.9 lb-ft)

22.
Remove the under cover.
(Refer to Engine Mechanical System - "Engine Room Under Cover")
23.
Remove the side cover (A).

Tightening torque :
7.8 ~ 11.8 N.m (0.8 ~ 1.2kgf.m, 5.8 ~ 8.7 lb-ft)

24.
Remove the following items;
2WD
A.
Sub frame assembly.
(Refer to "Front suspension system" in SS group.)
B.
Remove the drive shaft assembly.
(Refer to "Drive shaft assembly " in DS group.)
4WD
A.
Sub frame assembly.
(Refer to "Front suspension system" in SS group.)
B.
Front muffler.
(Refer to" Front Muffler")
C.
Drive shaft assembly.
(Refer to "Drive shaft assembly " in DS group.)
D.
Transfer assembly.
(Refer to "Transfer assembly" in WD group.)
25.
Remove the dust cover (A).

26.
Remove the torque converter mounting bolts (A) with rotating the crankshaft.

Tightening torque :
45.1 ~ 52.0 N.m (4.6 ~ 5.3 kgf.m, 33.3 ~ 38.3 lb-ft)

27.
Remove the start motor mounting bolt (A).

Tightening torque :
49.0 ~ 63.7 N.m (5.0 ~ 6.5 kgf.m, 36.2 ~ 47.0 lb-ft)

28.
Remove the automatic transaxle with a jack after removing the mounting bolts (A, B).

Tightening torque :
(A) 39.2 ~ 46.1 N.m (4.0 ~ 4.7 kgf.m, 28.9 ~ 34.0 lb-ft)
(B) 78.5 ~ 98.1 N.m (8.0 ~ 10.0 kgf.m, 57.9 ~ 72.3 lb-ft)

Components Location
1. Automatic transaxle 2. Shift cable bracket 3. Inhibitor switch connector 4. Manual control lever 5. Automatic transaxle mounting support bracket 6. Solenoid valve conne ...

Installation
1. Install in the reverse order of removal.    If the oil seal on the trans ...

See also:

Special Service Tools
Item Illustration Application Fuel Pressure Gauge (09353-24100) Measuring the fuel line pressure Fuel Pressure Gauge Adapter ...

Fluid Service Adjustment Procedure
Oil level Check    A check of ATF level is not normally required during scheduled services. If an oil leak is ...

Rear Coil Spring Inspection
1. Check the spring for distortion, aging or damage. 2. Check the spring upper pad and lower pad for aging or damage. ...

Copyright www.ksmanual.com 2014-2026