Kia Sorento: Engine Mounting Components - Engine And Transmission Assembly - Engine Mechanical System - Kia Sorento XM 2011-2026 Service ManualKia Sorento: Engine Mounting Components

Second Generation XM (2011-2026) / Kia Sorento XM 2011-2026 Service Manual / Engine Mechanical System / Engine And Transmission Assembly / Engine Mounting Components

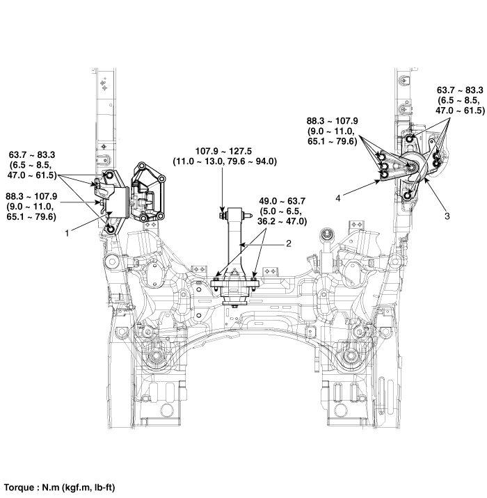
1. Transaxle mounting bracket
2. Roll rod bracket
3. Engine mounting bracket
4. Engine mounting support bracket

Engine Room Under Cover Removal and Installation
1. Unfasten the fasteners and bolts and then remove the engine room under cover (A). Tightening torque: 7.8 ~ 11.7 N.m (0.8 ~ 1.2 kgf ...

Engine Mounting Removal and Installation
Roll road Bracket 1. Remove the roll road bracket(A). Tightening torque Bolt (B) : 49.0 ~ 63.7 N.m (5.0 ~ 6.5 kgf.m, 36.2 ...

See also:

Description
Manifold Absolute Pressure Sensor (MAPS) is a speed-density type sensor and is installed on the surge tank. It senses absolute pressure of the surge tank and transfers the analog signal propo ...

Rearview camera (If equipped)
The rearview camera will activate with the ignition switch ON and the shift lever in the R (Reverse) position. This system is a supplemental system that shows behind the vehicle through the rearv ...

Installation
   • Install the component with the specified torques. • ...

Copyright www.ksmanual.com 2014-2026