Kia Sorento: Cylinder Head Components - Cylinder Head Assembly - Engine Mechanical System - Kia Sorento XM 2011-2026 Service ManualKia Sorento: Cylinder Head Components

Second Generation XM (2011-2026) / Kia Sorento XM 2011-2026 Service Manual / Engine Mechanical System / Cylinder Head Assembly / Cylinder Head Components

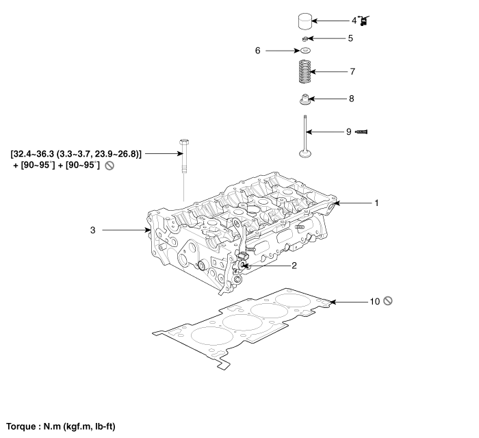
1. Cylinder head
2. Intake OCV (Oil Control Valve)
3. Exhaust OCV (Oil Control Valve)
4. MLA
5. Retainer lock
6. Retainer
7. Valve spring
8. Valve stem seal
9. Valve

CVVT & Camshaft Installation
1. Install the intakeCVVT assembly(A), exhaust CVVT assembly(B) and camshaft(C). Tightening torque : 53.9 ~ 63.7 N.m (5.5 ~ 6.5 kgf.m, 39 ...

Cylinder Head Removal
   • Use fender covers to avoid damaging painted surfaces. • ...

See also:

Propeller Shaft Removal and Installation
1. After making a match mark on the flange yoke and transfer companion, remove the propeller shaft mounting bolts (A). Tightening torque: ...

Blind Spot Detection Unit Inspection
BSD Unit Alignment To sense the cars exactly in the next lane with the radar, the direction of the sensor and the direction of the vehicle have to align. This is BSD unit alignm ...

Component Location
1. Audio unit 2. Tweeter speaker 3. External amplifier 4. Roof antenna (Radio + Siruis) 5. Front door speaker 6. Rear door speaker 7. Antenna feeder cable 8. Antenn ...

Copyright www.ksmanual.com 2014-2026