Kia Sorento: Circuit Diagram

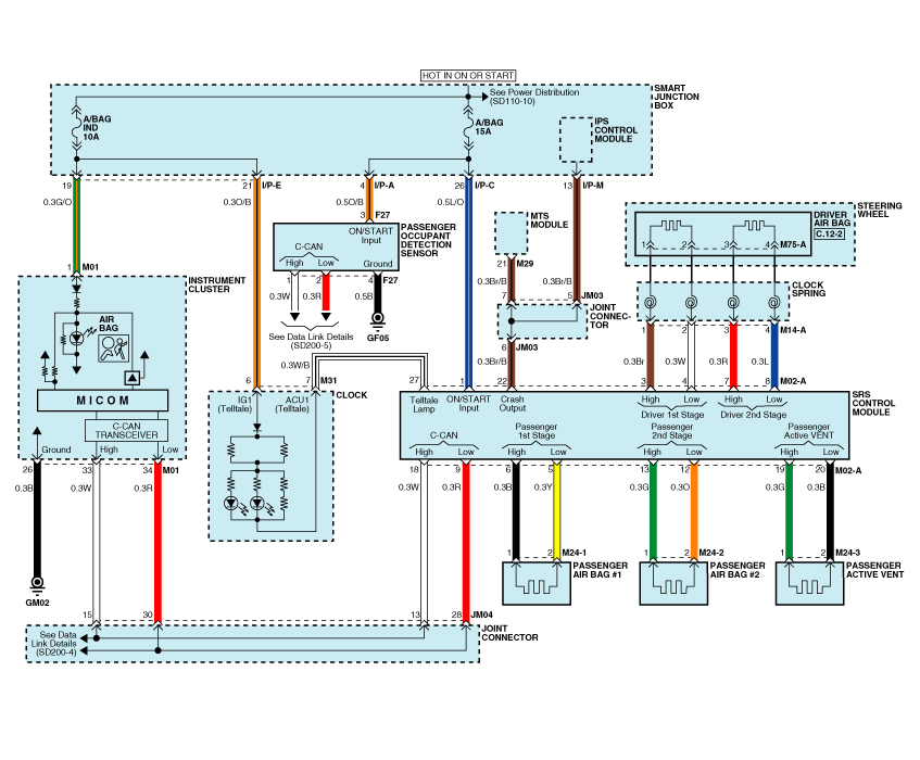
| Circuit Diagram (2) |

| Circuit Diagram (3) |

Occupant Detection system (ODS) Installation
SRSCM Connector terminalInterior A
* These dimensions indicated in this figure are actual-measurement
dimensions. [ Unit : mm (inch) ]
...
Troubleshooting
Problem Symptoms Table
Before replacing or repairing air conditioning components, first determine
if the malfunction is due to the refrigerant charge, air flow or compressor.
Us ...
Front Fog Lamps Inspection
1.
With the fog lamp switch in each position, make sure that continuity
exists between the terminals below. If continuity is not as specified,
replace the multifunctio ...