Kia Sorento: Hands Free Mic Inspection - Hands Free System - Body Electrical System - Kia Sorento XM 2011-2026 Service ManualKia Sorento: Hands Free Mic Inspection

Second Generation XM (2011-2026) / Kia Sorento XM 2011-2026 Service Manual / Body Electrical System / Hands Free System / Hands Free Mic Inspection

1.
Disconnect the negative(-) battery terminal.
2.
Remove the hands free mic (A) after disengaging the hook from roof top.

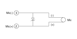
3.
Check the continuity of Mic between terminals.

Hands Free Switch Installation
1. Install the handsfree remote switch to the steering wheel front cover. 2. Install the steering wheel front cover. 3 ...

Troubleshooting
Problem Possible cause Solution Not pairing Bluetooth device of Car is not discoverable mode Enter Bluetooth pairing (searching) mode Userâ ...

See also:

Overdrive Clutch Control Solenoid Valve(OD/C_VFS)
Overdrive clutch control solenoid valve(OD/C) is attached to the valve body. This variable force solenoid valve directly controls the hydraulic pressure inside the overdrive clutch. ...

Trunk Trim Replacement
Luggage Side Trim Replacement [7 seats]    • Put on gloves to protect your hands. ...

TJ Joint Installation
1. Wrap tape around the driveshaft spline(TJ) to prevent damage to the boot. 2. Using the alignment marks (D) made during disassembly as a ...

Copyright © www.ksmanual.com 2014-2026