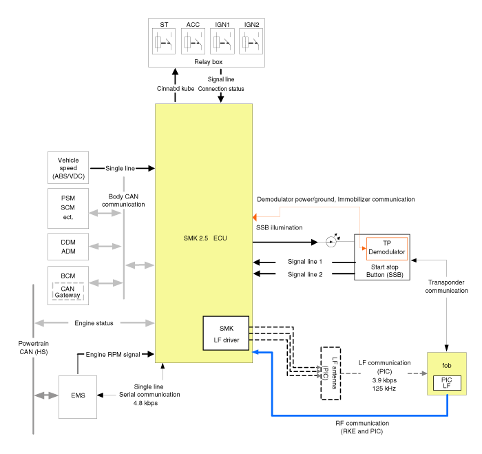
Kia Sorento: Circuit Diagram (1)

Component LocationBalance Shaft & Oil Pump Components
1. Balance shaft & oil pump assembly
2. Balance shaft chain tensioner
3. Balance shaft chain
4. Balance shaft chain sprocket
5. Balance shaft chain guide
6. Balance shaft ...
Description
Engine Coolant Temperature Sensor (ECTS) is located in the engine coolant
passage of the cylinder head for detecting the engine coolant temperature. The
ECTS uses a thermistor that changes re ...
Maintenance under severe usage conditions
The following items must be serviced more frequently on cars normally used under
severe driving conditions. Refer to the chart below for the appropriate maintenance
intervals.
R : Replace
I : Ins ...